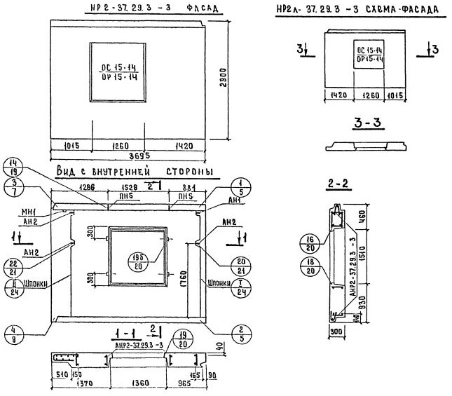
НР2-37.29.3-3

Чертеж изделия:
Характеристики изделия:
ПараметрЗначение
Длина3695 мм
Ширина300 мм
Высота2900 мм
Масса3550 кг
Нормативный документСерия 1.132-2
Цена:
Рассчитать стоимость

НР2-37.29.3-3    Наружная стеновая панель рядовая по Серии 1.132-2.